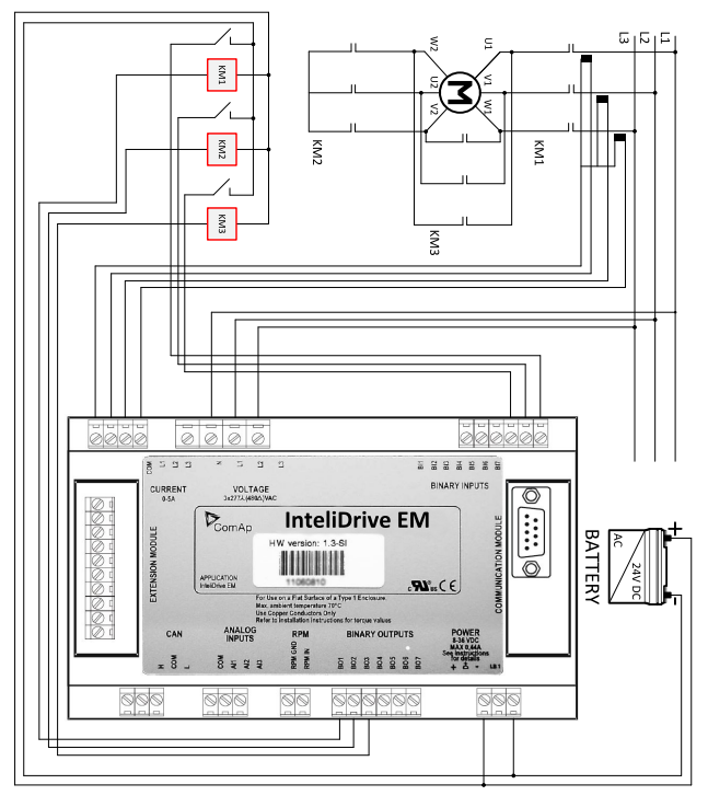
ComAp InteliDrive Lite EM – Control de Motores Eléctricos
  • Control integral de motores eléctricos: compatible con motores asíncronos monofásicos y trifásicos, con arranque directo, Y-Δ o SoftStarter

  • Protección avanzada: incluye protección contra sobrecarga, sobrecorriente, fallo de fase y medición True RMS

  • Pantalla gráfica y conectividad remota: display LCD retroiluminado 128×64 con interfaz local y remoto vía RS232/RS485, USB, GSM/GPRS, modem o Internet

  • Registro de eventos e historial: reloj en tiempo real con log de eventos y rendimiento para facilitar el diagnóstico

  • Fácil configuración y módulos ampliables: acceso con LiteEdit, 7 E/S digitales, 3 E/S analógicas y posibilidad de añadir comunicaciones y módulos de I/O

Descargas

Translate »