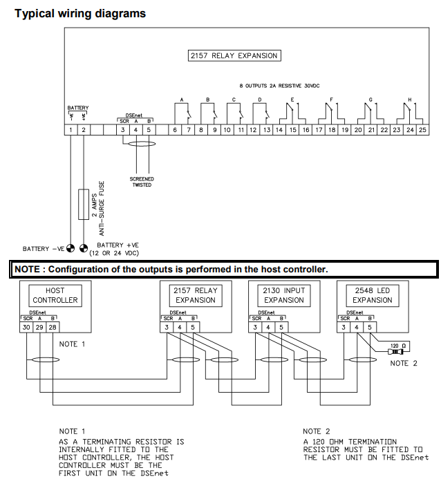
8 salidas de relé configurables: ofrece cuatro contactos normalmente abiertos y cuatro cerrado, controlados desde la unidad host
Capacidad de expansión en cadena: hasta 10 módulos DSE 2157 se pueden vincular para totalizar 80 salidas ¡ideal para instalaciones complejas!
Indicadores LED avanzados: incluye LED de alimentación/enlace y ocho LEDs de estado para monitoreo visual de cada salida relé
Alimentación amplia y robusta: opera en rango de 8 – 35 V DC, con capacidad de supervivencia a caídas de hasta 0 V de hasta 50 ms
Montaje versátil y compacto: dimensiones reducidas (165 × 76 × 49 mm), instalación en riel DIN o chasis, y resistente según normas EMC, vibración, temperatura y humedad
Descargas






Chatea con nosotros