Rectificador Trifásico S3PDB180N16 de 180A
  • Tensión inversa máxima de 1600 V (VRRM) – apto para aplicaciones de alta tensión

  • Corriente continua nominal de 180 A (If) – ideal para cargas industriales intensas

  • Corriente de impulso IFSM de hasta 1800 A – soporta picos transitorios de alta magnitud

  • Aislación de 3000 V (50/60 Hz) – garantiza seguridad y aislamientos superiores

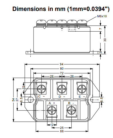
  • Chips pasivados con vidrio y montaje con terminales de tornillo M6 – montaje sencillo, alta fiabilidad y disipación térmica optimizada

Translate »